第二节 库间安全允许距离

第4.2.1条 岩石洞库、黄土洞库、覆土库相邻库之间的最小水平距离,应符合各自的库间安全允许距离的规定。

第4.2.2条 缓坡地形岩石洞库和黄土洞库,相邻库的库间安全允许距离,不应小于表4.2.2-14.2.2-2的规定,并应乘以表4.2.2-3的影响系数。

第4.2.3条 陡坡地形岩石洞库相邻库的库间安全允许距离不应小于表4.2.3的规定,并应乘以表4.2.2-3的影响系数。

第4.2.4条 两个岩石洞库相对布置时,其库间安全允许距缓坡地形岩石洞库库间安全允许距离不应小于表4.2.4的规定。

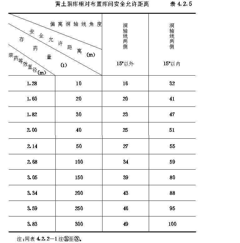
第4.2.5条 两个黄土洞库相对布置时,其库间安全允许距离不应小于表4.2.5的规定。

第4.2.6条 两个岩石洞库上下布置时,库间安全允许距离不应小于表4.2.6的规定。

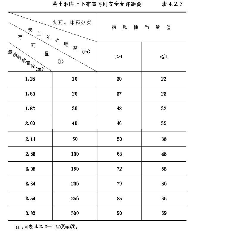
第4.2.7条 两个黄土洞库上下布置时,库间安全允许距离不应小于表4.2.7的规定。

第4.2.8条 覆土库的库间安全允许距离不应小于表4.2.8的规定。