第五节 边折及伸缩缝


第6.5.1条 V形折板屋盖的边折应加设拉杆。拉杆宜用型钢制作,采用螺栓与V形折板连接( 图6.5.1)。

第6.5.2条 V形折板屋盖的伸缩缝应设在上折缝处。伸缩缝两边相邻V形折板应加设拉杆(图6.5.1)。

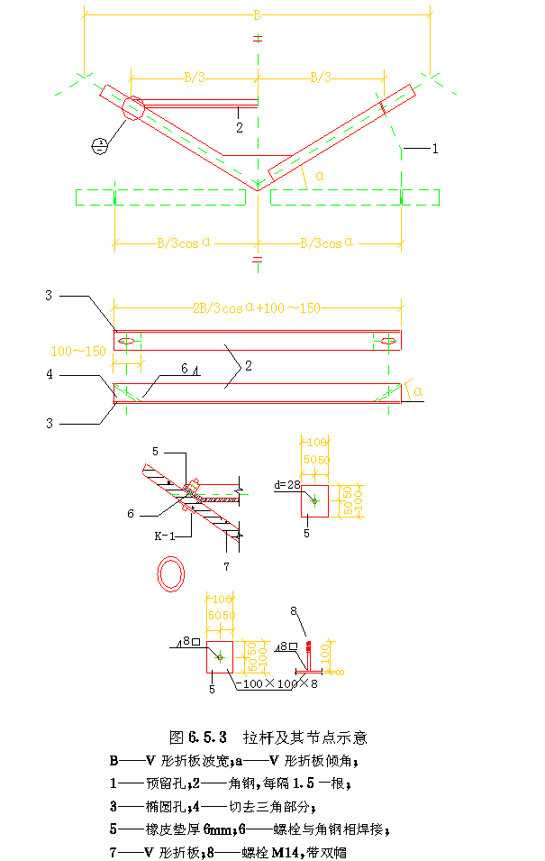
第6.5.3条 拉杆应采取有效的防腐措施,定期检查,及时更换。拉杆及节点见图6.5.3