第二节 定位轴线


第4.2.1条 柱与厂房横向定位轴线的定位,应遵守下列规定:

  一、除变形缝处的柱和端部柱处以外,柱的中心线应与厂房横向定位轴线相重合;

  二、变形缝处应设双轴线,轴线间为插入距α2,轴线距柱中心线应为600mm(图4.2.1a);

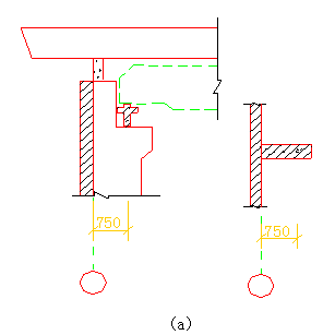
  三、端部柱中心线与厂房横向定位轴线的定位,可根据墙与柱的结合形式采取以下不同方式:

  1.端部柱中心线与厂房横向定位轴线相重合(图4.2.1b);

  2.端部柱外边缘与厂房横向定位轴线相重合(图4.2.1c);

  3.端部柱中心线自厂房横向定位轴线内移600mm(图4.2.1d

第4.2.2条 山墙与厂房横向定位轴线的定位,宜遵守下列规定:

  一、当山墙厚度小于或等于240mm时,墙内缘宜与厂房横向定位轴线重合(图4.2.2a、b);

  二、当山墙厚度大于240mm时,墙内缘与厂房横向定位轴线的距离,宜为120mm的倍数或1/2墙厚;当为柱承重时,轴线与柱中线的距离为600mm( 图4.2.2c、d)。

第4.2.3条 纵墙、边柱与厂房纵向定位轴线的定位,应遵守下列规定:

  一、柱距小于或等于6m的一般厂房(包括有悬挂吊车的厂房)的边柱外缘和墙内缘应与厂房纵向定位轴线相重合(图4.2.3a);

  二、当纵墙承重并设有壁柱时,墙内缘宜与厂房纵向定位轴线相重合。当不重合时,墙内缘与厂房纵向定位轴线的距离宜为半砖(即120mm)的倍数或1/2墙厚(图4.2.3b);

  三、在设有桥式吊车的厂房中,考虑吊车起重量、柱距和构造等要求,边柱外缘与厂房纵向定位轴线间可加设联系尺寸α1(图4.2.3c),并遵守下列规定:

  1.当吊车起重量小于或等于20t时,α1=0;

  2.当吊车起重量为30t或50t和柱距为6m时,α1=150mm;

  3.当吊车起重量大于50t时,柱距为12m时,α1=250mm或500mm。

第4.2.4条 中柱与厂房纵向定位轴线的定位,应遵守下列规定:

  一、等高厂房的中柱,其上柱的中心线应与厂房纵向定位轴线相重合(图4.2.4a);

  二、高低跨处采用单柱时,高跨上柱外缘和封墙内缘应与厂房纵向定位轴线相重合(图4.2.4b); 当上柱外缘与厂房纵向定位轴线不能重合时,应采用两条定位轴线,其插入距α2值按需要确定(图4.2.4c);

  三、当高低跨处的变形缝设双柱时,应采用两条定位轴线,其插入距α2值为变形缝的宽度c加高跨柱外缘封墙厚度b2及低跨柱外缘至V形折板端部距离b1(图4.2.4d);或为变形缝的宽度c加高跨柱外缘封墙厚度b2加低跨柱外缘至V形折板端部距离b1及联系尺寸α1(图4.2.4e)。
中柱高低跨处双柱与厂房纵向定位轴线的定位,见图4.2.4

第4.2.5条 纵横跨变形缝处应设两条定位轴线,其插入距α2值应为变形缝的宽度c加高跨处外缘封墙厚度b2加边折的1/2波宽(图4.2.5a);或为变形缝的宽度c加高跨处外缘封墙厚度α1加边折的1/2波宽及联系尺寸α1(图4.2.5b、c)。
厂房纵横跨变形缝处的定位轴线,见图4.2.5